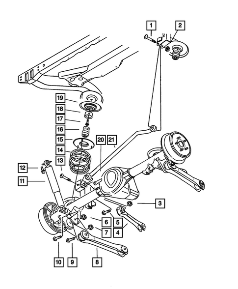
Rear Suspension for 2001 Jeep Wrangler

Vehicle

2001 Jeep Wrangler

Change Vehicle

Categories

Browse Categories
Rear Suspension for 2001 Jeep Wrangler #0
No.
Part # / Description / Price
Price
1
Hex Flange Head Bolt, Mounting
Mopar Mopar
Description: M12x1.75x80.00. Shock to Frame
2
Hex Flange Lock Nut, Mounting
Mopar Mopar
Notes: Transmissions: 3-SPD. AUTOMATIC 30RH TRANSMISSION. ALL MANUAL TRANSMISSIONS.
Description: M12x1.75. Engine Mount To Engine Mount Bracket
MSRP $3.55
$2.40
MSRP $3.55
$2.40
3
Hex Flange Lock Nut, Mounting
Mopar Mopar
Description: M14x1.50. Outer Cover To Inner Cover
MSRP $9.60
$6.55
MSRP $9.60
$6.55
4
Control Arm, Right & Left, Upper
Mopar Mopar
Description: Upper.
MSRP $238.00
$163.80
MSRP $238.00
$163.80
5
Hex Flange Head Bolt, Mounting
Mopar Mopar
Description: M10x1.50x78.20. UCA to Frame or Axle
7
Hex Flange Lock Nut, Mounting
Mopar Mopar
Description: M14x2.00. Shock Clevis to Lower Control Arm
MSRP $13.25
$9.18
MSRP $13.25
$9.18
8
Control Arm, Right & Left, Lower
Mopar Mopar
Description: Rear
MSRP $168.00
$116.42
MSRP $168.00
$116.42
9
Hex Flange Head Bolt, Mounting
Mopar Mopar
Description: M14x2.00x105.00. Rear Lower Control Arm to Axle
10
Hex Flange Head Bolt
Mopar Mopar
Description: M12x1.75x65. Steering Damper to Axle
12
Hex Head Screw, Upper
Mopar Mopar
Description: M8x1.25x30. Shock Mounting
MSRP $9.60
$6.73
MSRP $9.60
$6.73
13
Truss Head Screw, Mounting
Mopar Mopar
Description: M12x1.75x80. Track Bar to Axle
14
Rear Coil Spring
Mopar Mopar
Description: [ZAU,ZNU]
14
Rear Coil Spring
Mopar Mopar
Description: [ZAV,ZNV]
14
Rear Coil Spring
Mopar Mopar
Description: [ZAT,ZNT]
16
Jounce Bumper
Mopar Mopar
Description: Urethane-From 09-17-03
MSRP $43.90
$30.60
MSRP $43.90
$30.60
17
Hex Head Bolt, Mounting
Mopar Mopar
Description: M10x1.50x35.00. Axle Support Bracket to Axle Housing
19
Spring Isolator, Upper
Mopar Mopar
Description: Coil Spring Rear
20
Hex Flange Lock Nut And Retainer, Mounting
Mopar Mopar
Description: M8x1.25. Sway Bar Link to LCA
2 This part contains hazardous materials. Extra shipping costs apply.